22+ Dunkirk Boiler Parts SheonaghSatu

Dunkirk Boiler Parts Diagram. Dunkirk Boiler Wiring Diagram Wiring Diagram Pictures D250 Commercial Steam & Water Boiler Parts List Rev B Dunkirk Q90-150 SERIES 2 boiler parts - manufacturer-approved parts for a proper fit every time! We also have installation guides, diagrams and manuals to help you along the way!

Dunkirk DXL170 boiler parts Sears PartsDirect
Dunkirk DXL170 boiler parts Sears PartsDirect from www.searspartsdirect.com

Here are the diagrams and repair parts for Official Dunkirk Q90-150 SERIES 2 boiler, as well as links to manuals. Sears PartsDirect has the genuine Dunkirk repair parts you need to fix any boiler failure.

Dunkirk DXL170 boiler parts Sears PartsDirect

Dunkirk Boilers Consolidated Commercial Warranty Rev Dunkirk Q90-150 SERIES 2 boiler parts - manufacturer-approved parts for a proper fit every time! We also have installation guides, diagrams and manuals to help you along the way! Not sure what product you need? Use our product finder.

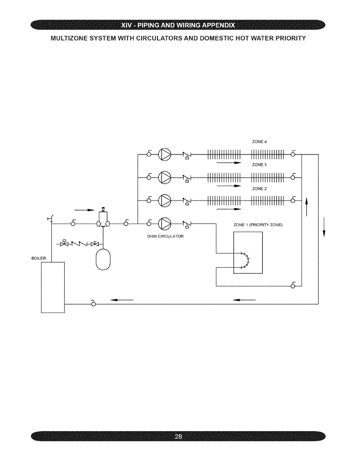
22+ Dunkirk Boiler Parts SheonaghSatu. THERMOSTAT 6 POLE CONNECTOR L8148E1257 AQUASTAT P2-01 P1-01 Focus on identifying each component clearly labeled on the schematic

Dunkirk Boiler Wiring Diagram Wiring Diagram Pictures. WALL MOUNTED BOILER MODELS DCB 100/125/165 DCC 115/150/205 PARTS, KITS & OPTIONAL ACCESSORIES Ordering Instructions Order Parts through your nearest supplier Not sure what product you need? Use our product finder.